概述
YBDW系列隔爆型低噪声外转子三相异步电动机是YDW系列电机的派生产品。符合GB3836.1-2000和 GB3836.2-2000的要求。适用于工厂或使用场地其爆炸性气体混合物为KB类温度组别为T4的场所。 它采用了有关的国际标准和国家标准.防护等级IP44,F级绝缘。冷却方式基本同于IC0140详见GB/T1993。
使用条件
在下列条件下.YBDH系列电动机运转可靠。环境温度不超过40℃。海拔不超过1000米。频率50赫芝,电压380伏。
工作方式:SI(连续)。
安装型式:卧装式(B3)吊装式(V3)
订货须知
一、订货时必须说明产品的型号,额定功率和安装型式。
二、其它规格,或有特殊要求,可根据订户需要,按协议供货。
型号含义
例:

南京科祥特种电机厂电流

南京科祥特种电机厂电流
| 型号 | 电流 | 型号 | 电流 |
| 0.18-4 | 0.65 | 0.18-6 | 0.75 |
| 0.25-4 | 0.85 | 0.25-6 | 1.05 |
| 0.32-4 | 1.05 | 0.37-6 | 1.45 |
| 0.37-4 | 1.25 | 0.45-6 | 1.6 |
| 0.45-4 | 1.5 | 0.55-6 | 1.7 |
| 0.55-4 | 1.6 | 0.8-6 | 2.35 |
| 0.75-4 | 2.28 | 1.1-6 | 3.2 |
| 1.0-4 | 2.8 | 1.5-6 | 4.3 |
| 1.1-4 | 2.9 | 1.8-6 | 4.9 |
| 1.5-4 | 3.9 | 2.2-6 | 5.8 |
| 1.8-4 | 4.5 | 3-6 | 7.79 |
| 2.2-4 | 5.6 | 4-6 | 10.2 |
| 3-4 | 7.6 | 5.5-6 | 13.3 |
| 4-4 | 10.1 | 6-6 | 14.5 |
| 7.5-6 | 17.9 | ||
| 9-6 | 20.4 | ||
| 11-6 | 22.5 |

|
型号 Type |
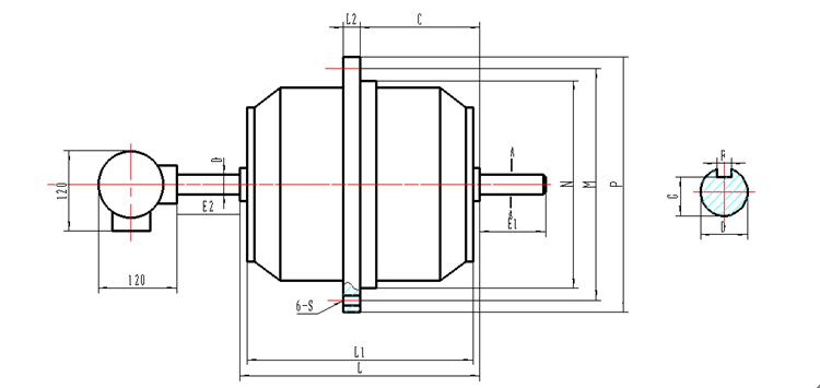
防爆电机安装外形尺寸 | ||||||||||||
| P | M | N | S | D | E1 | E2 | F | G | L | L1 | C | L2 | |
| 0.8-6 | 250 | 230 | 200 | 12 | 28 | 60 | 100 | 8 | 24 | 275 | 213 | 138 | 12 |
| 1.1-6 | |||||||||||||
| 1.5-6 | 275 | 250 | 215 | 280 | 234 | 140 | 16 | ||||||
| 1.8-6 | 295 | 249 | 148 | ||||||||||
| 2.2-6 | 310 | 264 | 155 | ||||||||||
| 3-6 | 300 | 275 | 238 | 12.5 | 38 | 80 | 150 | 10 | 33 | 340 | 286 | 180 | 16 |
| 4-6 | 316 | ||||||||||||
| 5.5-6 | 340 | 310 | 275 | 42 | 120 | 12 | 37 | 410 | 326 | 205 | 18 | ||
| 7.5-6 | 356 | ||||||||||||
| 1.1-4大 | 232 | 216 | 200 | M8 | 28 | 50 | 110 | 8 | 24 | 260 | 210 | 130 | 12 |
| 1.5-4 | 60 | 220 | |||||||||||
| 1.8-4 | 250 | 230 | 200 | 12 | 270 | 230 | 135 | ||||||
| 2.2-4 | 280 | 238 | 140 | ||||||||||
| 3-4 | 330 | 283 | 165 | ||||||||||
| 4.4 | 50 | 350 | 313 | 175 | |||||||||
| 0.25-6 | 180 | 166 | 150 | 10 | 16 | 30 | 80 | 6 | 14 | 176 | 170 | 88 | 10 |
| 0.37-6 | 40 | 90 | 186 | 180 | 93 | ||||||||
| 0.55-6 | 100 | 218 | 212 | 109 | |||||||||
| 0.25-4 | 29 | 80 | 166 | 160 | 83 | ||||||||
| 0.32-4 | 28 | 166 | 160 | 83 | |||||||||
| 0.45-4 | 40 | 176 | 170 | 88 | |||||||||
| 0.55-4 | 186 | 180 | 93 | ||||||||||
| 0.75-4 | 218 | 212 | 109 | ||||||||||
| 1.1-4A | 242 | 236 | 121 | ||||||||||

